| Marathon /
Kulka 671RZ-Series Specifications |
| |
|
| |
| General
Specifications |
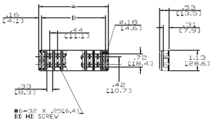
Dimensional Drawing |
- 7/16" (0.438") Center to Center Spacing
- 300 Volts AC/DC (Class B)
- Base, Thermoplastic, 125°C (ULRTI)
- Closed Back Design
- Screws, #6-32 Binder Head, Phil-Slot, Steel
- Terminals, Plated Brass
- Wire Range With Wire Binding Screw #12-#22 AWG -
20 Amps
- Wire Range With Sems Pressure Screw #12-#22 AWG
Stranded Copper Wire Only - 20 Amps
- UL Recognized File No. XCFR2.E62806
- CSA Certified File No. LR19766
- CE
|
 |
|
 |