| Marathon /
Kulka 410-Series Specifications |
| |
|
| |
| General
Specifications |
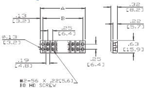
Dimensional Drawing |
- 1/4" (0.250") Center to Center Spacing
- 300 Volts AC/DC (Class B)
- Open Back Design (Insulator Strip Required for
Voltage Rating)
- Screws, #2-56 x 7/32 Binder Head, Phil-Slot,
Brass
- Terminals, Plated Brass
- 1-23 Poles
- Wire Range With Wire Binding Screw #18 - #20 AWG
5 Amps
- UL Recognized File No. XCFR2.E47811
- CSA Certified File No. LR19766
- CE
|
 |
|
 |