| Marathon
					 411GP-Series Specifications |  
				
 
				 
				  |   |  
				
 
				 
				     |  
				
 
				 
				  |   |  
				
 
			 
 
			  
				 
				  | General
					 Specifications |  
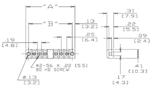
				  Dimensional Drawing |  
				
 
				 
				   
					  
						 
						   
							  
								- 1/4" (0.250") Center to Center Spacing
  
								- 300 Volts AC/DC (Class B)
  
								-  Base, Phenolic Material 150°C (UL RTI)
  
								-  Open Back Design (Insulater strip required for
								  voltage rating) 
  
								-  Screws, #2-56 Binder Head, Phil-Slot, Brass
  
								-  Terminals, Plated Brass
  
								- 1-23 Poles
  
								-  300 Volts AC/DC (Class B)
  
								-  Wire Range with Wire Binding Screw: #18-20 AWG - 5
								  Amps
  
								-  UL Recognized File No. XCFR2.E47811
  
								- CSA Certified File No. LR19766
  
								- CE
  
							   |  
						  
						 
						    |  
						  
					   |  
				    |