| Weco Ceramic & Porcelain Terminal Blocks - DIN-46284-ST Series |
 |
| |
| Application: |
| The porcelain molding for these terminal blocks was designed to provide excellent resistance to high temperatures and the ability to allow high current voltage ratings. |
| The DIN-46284 standard pertains to two- and three-pole appliance terminals with 380V AC and 440V DC. They are supplied with a stainless steel wire protector to prevent damage to stranded wiring. |
 |
 |
| |
 RoHS WEEE Pb free surface compliant |
| Description: |
- Ceramic Terminal Block
- Medium Duty
- With Clamping Screws
- With Mounting Holes
- Recommended mounting hardware: M4 cheese head screw
(#8-32 fillister head screw)
|
| |
| Technical Data: |
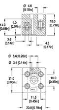
| Center to Center Spacing: |
13 mm (0.512 in.) |
| Nominal Cross Section: |
2.5 mm2 (3874 mils2) |
| Wire Stripping Length: |
7 mm (0.28 in.) |
| Screw Tightening Torque: |
UL: 4.5 lbfin |
| CSA: 0.51 Nm |
|
| |
| Rating |
Current(A) |
Voltage(V) |
Application Group |
AWG |
| UL |
|
|
|
|
|
| CSA |
CSA File No.LR24322 |
20 |
300 |
B,C,D,E |
18-12 |
|
| |
| Material: |
| Molding: |
Glazed porcelain KER 111, DIN 40685, color white |
 |
 |
| Upper Temperature Limit: |
200°C (392°F) |
| Terminal Body: |
Nickel plated brass |
| Wire Protector: |
Stainless steel |
| Screw: |
M3, Zinc plated blue passivated, steel substrate |
|
| |
|
| Ordering Information: |
|
| Part Number - without Wire Protector |
Part Number -with Wire Protector |
Number of Poles |
2-DIN-46284-ST |
2-DIN-46284-ST-HDS |
2 |
3-DIN-46284-ST |
3-DIN-46284-ST-HDS |
3 |
|