Connex-Electronics.com
Finder  
Finder MasterTIMER 39 Series Relay Interface Modules - EMR
   
Finder Main Page
UL Listed
Relay Interface Modules
38-Series Ultra Slim
SPDT 6A
48-Series
SPDT 10A & DPDT 8A
4C-Series
SPDT 16A, 10A & DPDT 8A
58-Series
2&3 Pole 10A & 4 Pole 7A
39 Series MasterINTERFACE - Relay Interface Modules
MasterINTERFACE Overview
MasterBASIC - EMR
MasterBASIC - SSR
MasterPLUS - EMR
MasterPLUS - SSR
MasterINPUT - EMR
MasterINPUT - SSR
MasterOUTPUT - EMR
MasterOUTPUT - SSR
MasterTIMER - EMR
MasterTIMER - SSR
MasterINTERFACE Accessories
MasterADAPTER PLC Interface Adapter
Subminiature Relays
30-Series
2 Amp Contact Rating
Miniature Relays
40-Series
SPDT 10A & DPDT 8A
44-Series
DPDT 6A & 10A
46-Series
SPDT 16A & DPDT 8A
55-Series
2&3 Pole 10A & 4 Pole 7A
General Purpose Relays
60-Series
2&3 Pole 10A
Power Relays
56-Series Mini Power
2&4 Pole 12A
62-Series
2&3 Pole 16A
65-Series
1NO + 1NC 20A
& SPST-NO 30A
Timers
38-Series Ultra Thin Timed Interface Modules
80-Series Modular Timers
6A, 8A, and 16A
83-Series Modular Timers
8A, 10A, and 16A
85-Series Mini Plug-In Timers
7A and 10A
86-Series Plug-In Timer Modules
3 Phase Line Monitoring Relays
70.61-Series Line Monitoring Relays
Relay Modules with Forcibly Guided Contacts
7S-Series Relay Modules with Forcibly Guided Contacts 6A
Relay Sockets and Accessories
90-Series Sockets with Accessories
92-Series Sockets with Accessories
94-Series Sockets with Accessories
95-Series Sockets with Accessories
96-Series Sockets with Accessories
97-Series Sockets with Accessories
Filter Fans and Thermostats for Control Panels and Enclosures
7F-Series Filter Fans
7T-Series Thermostats
Finder MasterTIMER 39 Series - EMR
 
39.81 MasterTIMER Electromechanical Relay Modules with Timing Functions

Features:
  • Slim timed interface module, 6.2 mm wide, ideal for space-saving timing solutions in panels
  • Timer adjustment via top mounted rotary knob, accessible after assembly
  • Control signal terminal
  • DIP-switch for selection of 4 time scales and 8 functions
  • Accepts output fuse module 093.63 (for 5 x 20 mm fuses) for quick and easy load protection
  • Common connection possible with optional jumper links (terminals A1, A2 and 15)
  • 6 A electromechanical relay
  • 12 - 24 V AC/DC supply
  • 35 mm rail (EN 60715) mounting
Finder MasterTIMER 39.81 EMR
39.11 Approvals


  Download Complete Specifications
   
Part Number Coil Voltage
Add part number 39.81.0.012.0060 to your Quote. 39.81.0.012.0060 12 V AC/DC
Add part number 39.81.0.024.0060 to your Quote. 39.81.0.024.0060 24 V AC/DC
   
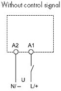
Wiring Diagram Timing Diagram Timing Function Description
Wiring Diagram without control signal 39-Series (AI) On-delay (AI) ON-delay. Apply power to timer. Output contacts transfer after preset time has elapsed. Reset occurs when power is removed.
39-Series (DI) Interval (DI) Interval. Apply power to timer. Output contacts transfer immediately. After the preset time has elapsed, contacts reset.
39-Series (GI) Pulse (0.5s) delayed (GI) Pulse delayed. Apply power to timer. Output contacts transfer after preset time has elapsed. Reset occurs after a fixed time of 0.5s.
39-Series (SW) Symmetrical flasher (starting pulse on) (SW) Symmetrical flasher (starting pulse on). Apply power to timer. Output contacts transfer immediately and cycle between ON and OFF for as long as power is applied. The ratio is 1:1 (time on = time off).
Wiring Diagram 39-Series (BE) Off-delay with control signal (BE) OFF-delay with control signal. Power is permenently applied to the timer. The output contacts transfer immediately on closure of the Signal Switch (S). Opening the Signal Switch initiates the preset delay, after which time the output contacts reset.
39-Series (CE) On- and Off-delay with control signal (CE) ON- and OFF-delay with control signal. Power is permenently applied to the timer. Closing the Signal Switch (S) initiates the preset delay, after which time the output contacts transfer. Opening the Signal switch initiates the same preset delay, after which time the output contacts reset.
39-Series (DE) Interval with control signal on (DE) Interval with control signal on. Power is permenently applied to the timer. On momentary or maintained closure of Signal Switch (S), the output contacts transfer, and remain so for the duration of the preset delay, after which they reset.
39-Series (EE) Interval with control signal off (EE) Interval with control signal off. Power is permenently applied to the timer. On opening of the Signal Switch (S) the output contacts transfer, and remain so for the duration of the preset delay, after which they reset.
Notes
   
Contact specification  
Contact configuration 1 CO (SPDT)
Rated current/Maximum peak current A 6/10
Rated voltage/Maximum switching voltage V AC 250/400
Rated load AC1 VA 1,500
Rated load AC15 (230 V AC) VA 300
Single phase motor rating (230 V AC) kW 0.185
Breaking capacity DC1: 30/110/220V A 6/0.2/0.12
Minimum switching load mW (V/mA) 500 (12/10)
Standard contact material AgNi
Supply specification  
Nominal voltage (UN ) V AC/DC 12 - 24
Operating range (0.8...1.1)UN
Holding voltage 0.6 UN
Must drop-out voltage 0.1 UN
Technical data  
Specified time range (0.1...3)s, (3...60)s, (1...20)min, (0.3...6)h
Repeatability % ±1
Recovery time ms < or = 50
Minimum control impulse ms 50
Setting accuracy - full range % 5
Electrical life at rated load AC1 cycles 60 · 10³
Ambient temperature range °C –20…+50
Protection category IP 20