Connex-Electronics.com
 Connex Connector Product Specification Sheet
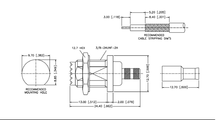
Part Number Add part number 182125 to your Quote. 182125
Family/Series: UHF/Mini-UHF Coaxial Connectors
Product Type: Mini-UHF Series
Description: Straight 3-Piece Crimp Jack
 
Specifications
Electrical
Cable Group 01    Cable Types: 58 / 58A / 58C / 141 / 303 / UMR195 / B7806A
Finish Nickel
Insulation Delrin
Impedance 50 ohms
Crimp Tool A
Schematic Drawing
Connex part number 182125 schematic