Connex-Electronics.com
 Connex Connector Product Specification Sheet
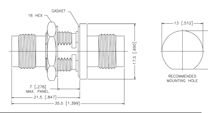
Part Number Add part number 122342 to your Quote. 122342
Family/Series: TNC Coaxial Connectors
Product Type: Bulkhead Feedthrough Adapters
Description: Jack-To-Jack Bulkhead Adapter
 
Specifications
Electrical
Cable Group N/A
Finish Nickel
Insulation Delrin
Impedance 50 ohms
Crimp Tool N/A
 
Remark:  7.0 mm Max. panel thickness
Schematic Drawing
Connex part number 122342 schematic