Connex-Electronics.com
 Connex Connector Product Specification Sheet
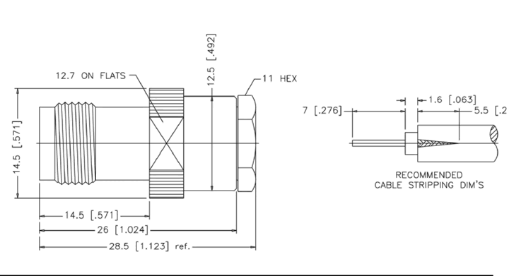
Part Number Add part number 122316 to your Quote. 122316
Family/Series: TNC Coaxial Connectors
Product Type: Wedge Compression Attachments for Flexible Cable
Description: Wedge Compression Jack
 
Specifications
Electrical
Cable Group 04    Cable Types: 59 / U PLENUM
Finish Nickel
Insulation Teflon
Impedance 50 ohms
Crimp Tool N/A
 
Remark:  With wedge contact
Schematic Drawing
Connex part number 122316 schematic