Connex-Electronics.com
 Connex Connector Product Specification Sheet
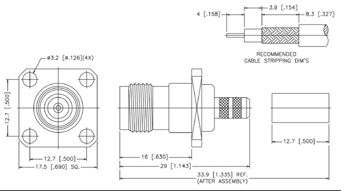
Part Number Add part number 122232 to your Quote. 122232
Family/Series: TNC Coaxial Connectors
Product Type: Panel Jack Crimp Attachments for Flexible And Semi-Rigid Cable/Receptacle
Description: Panel Crimp Jack - Standard Cable
Teflon/Captured
 
Specifications
Electrical
Cable Group 03    Cable Types: 59 / 62 / 140 / 210
Finish Nickel
Insulation Teflon
Impedance 50 ohms
Crimp Tool A
 
Remark:  5.0 [.197] Max. panel thickness
Schematic Drawing
Connex part number 122232 schematic