Connex-Electronics.com
 Connex Connector Product Specification Sheet
Part Number Add part number 122171 to your Quote. 122171
Family/Series: TNC Coaxial Connectors
Product Type: Bulkhead Jack Crimp Attachments for Flexible And Semi-Rigid Cable
Description: Bulkhead Crimp Jack - Standard Cable
 
Specifications
Electrical
Cable Group 03    Cable Types: 59 / 62 / 140 / 210
Finish Nickel
Insulation Teflon
Impedance 75 ohms
Crimp Tool A
 
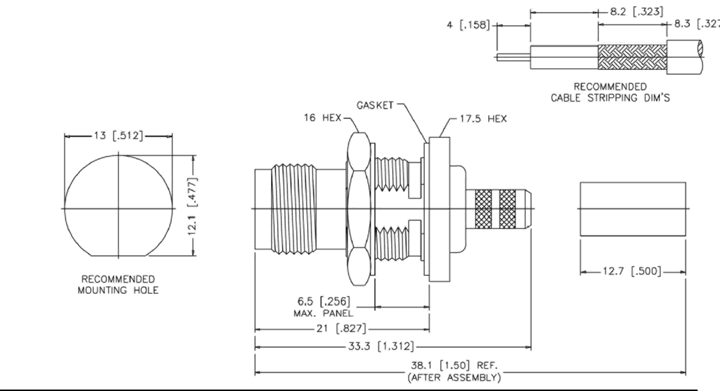
Remark:   6.5 [.256] Max. panel thickness
Schematic Drawing
Connex part number 122171 schematic