Connex-Electronics.com
 Connex Connector Product Specification Sheet
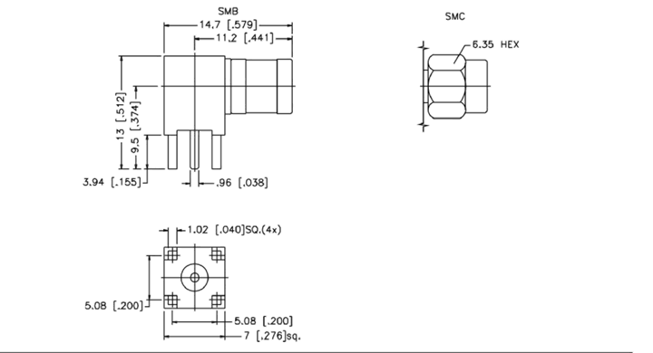
Part Number Add part number 142141 to your Quote. 142141
Family/Series: SMB/SMC Coaxial Connectors
Product Type: Printed Circuit Board/Straight Terminals
Description: Right Angle Plug For P.C. Board
SMB Connectors
 
Specifications
Electrical
Cable Group N/A
Finish Nickel
Insulation Teflon
Impedance 75 ohms
Crimp Tool N/A
Schematic Drawing
Connex part number 142141 schematic