Connex-Electronics.com
 Connex Connector Product Specification Sheet
Part Number Add part number 142128 to your Quote. 142128
Family/Series: SMB/SMC Coaxial Connectors
Product Type: Clamp Terminations for Flexible Cable
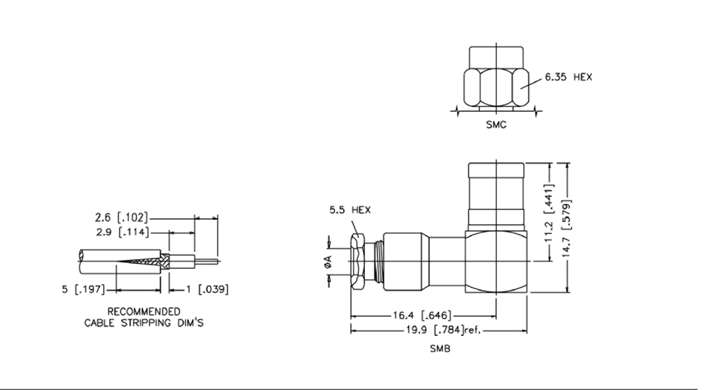
Description: Right Angle Cable Plug
SMB Connectors
 
Specifications
Electrical
Cable Group 05    Cable Types: 174 / 188A / 316 / B7805A
Finish Nickel
Insulation Teflon
Impedance 50 ohms
Crimp Tool N/A
Schematic Drawing
Connex part number 142128 schematic