Connex-Electronics.com
 Connex Connector Product Specification Sheet
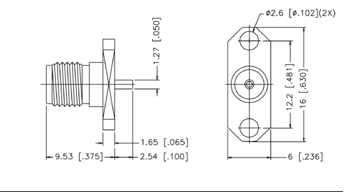
Part Number132262
Family/Series:SMA Coaxial Connectors
Product Type:Panel Mount/Solder Pot Terminals
Description:Panel Mount Jack Receptacle - 2 Hole Flange - Blunt Post
8.37 mm [.330"] post
 
Specifications
Electrical
Cable GroupN/A
FinishGold
InsulationTeflon
Impedance50 ohms
Crimp ToolN/A
Schematic Drawing
Connex part number 132262 schematic