Connex-Electronics.com
 Connex Connector Product Specification Sheet
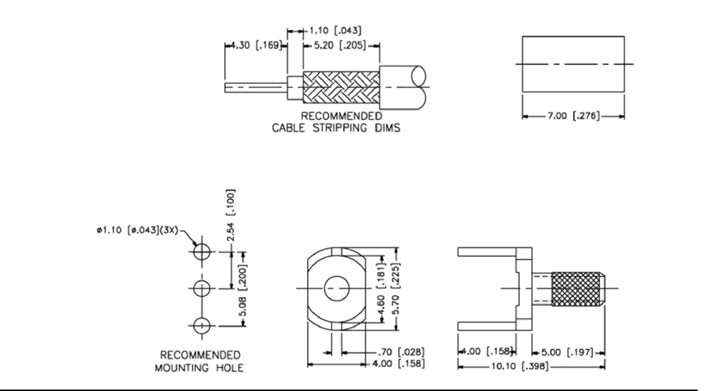
Part Number Add part number 142260 to your Quote. 142260
Family/Series: SHIELDED Terminations for Coaxial Cable
Product Type: SHIELDED Terminations for Coaxial Cable
Description: Straight Crimp PCB - 2-Hole Mount
 
Specifications
Electrical
Cable Group 03    Cable Types: 59 / 62 / 140 / 210
Finish Gold
Insulation N/A
Impedance N/A
Crimp Tool N/A
Schematic Drawing
Connex part number 142260 schematic