Connex-Electronics.com
 Connex Connector Product Specification Sheet
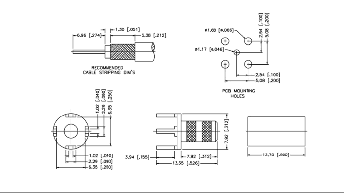
Part Number Add part number 142198 to your Quote. 142198
Family/Series: SHIELDED Terminations for Coaxial Cable
Product Type: SHIELDED Terminations for Coaxial Cable
Description: Straight Crimp PCB - 4-Hole Mount
 
Specifications
Electrical
Cable Group 01    Cable Types: 58 / 58A / 58C / 141 / 303 / UMR195 / B7806A
Finish Gold
Insulation N/A
Impedance N/A
Crimp Tool A
Schematic Drawing
Connex part number 142198 schematic