Connex-Electronics.com
 Connex Connector Product Specification Sheet
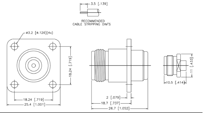
Part Number Add part number 172170 to your Quote. 172170
Family/Series: N Coaxial Connectors
Product Type: Crimp/Solder Attachments for Flexible And Semi-Rigid Cable
Description: Straight Solder Panel Jack - Semi-Rigid Cable
 
Specifications
Electrical
Cable Group 10    Cable Types: .141 Semi-Rigid / 402/U
Finish Nickel/Gold
Insulation Teflon
Impedance 50 ohms
Crimp Tool N/A
Schematic Drawing
Connex part number 172170 schematic