Connex-Electronics.com
 Connex Connector Product Specification Sheet
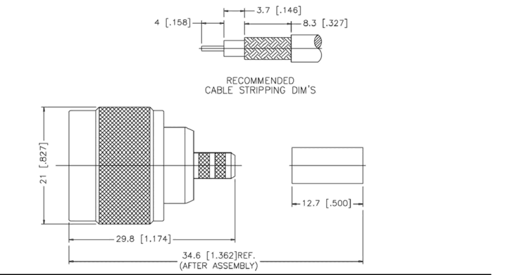
Part Number Add part number 172157 to your Quote. 172157
Family/Series: N Coaxial Connectors
Product Type: Crimp/Solder Attachments for Flexible And Semi-Rigid Cable
Description: Crimp Plug - Ethernet Cable
 
Specifications
Electrical
Cable Group 89880
Finish Nickel
Insulation Teflon
Impedance 50 ohms
Crimp Tool D
Schematic Drawing
Connex part number 172157 schematic