Connex-Electronics.com
 Connex Connector Product Specification Sheet
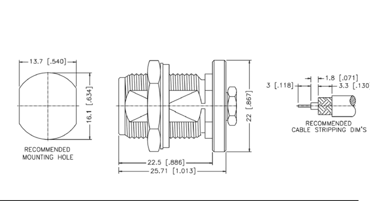
Part Number172143-10
Family/Series:N Coaxial Connectors
Product Type:Crimp/Solder Attachments for Flexible And Semi-Rigid Cable
Description:Bulkhead Clamp Jack - Rear Mount - Miniature Cable
Rear Mount Starwasher
 
Specifications
Electrical
Cable Group05   Cable Types: 174 / 188A / 316 / B7805A
FinishNickel
InsulationTeflon
Impedance50 ohms
Crimp ToolN/A
Schematic Drawing
Connex part number 17214310 schematic