Connex-Electronics.com
 Connex Connector Product Specification Sheet
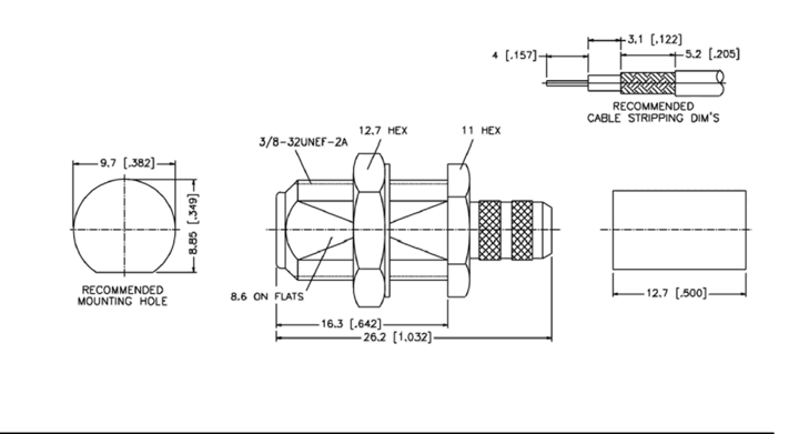
Part Number Add part number 222158 to your Quote. 222158
Family/Series: F Coaxial Connectors
Product Type: Crimp Attachments for Flexible And Semi-Rigid Cable
Description: Bulkhead Crimp Jack
 
Specifications
Electrical
Cable Group 03    Cable Types: 59 / 62 / 140 / 210
Finish Tin Lead
Insulation P.P.
Impedance 75 ohms
Crimp Tool A
Schematic Drawing
Connex part number 222158 schematic