Connex-Electronics.com
 Connex Connector Product Specification Sheet
Part Number Add part number 112437 to your Quote. 112437
Family/Series: BNC Coaxial Connectors
Product Type: Bulkhead Feedthrough Adapters
Description: Jack-To-Jack Bulkhead Adapter
 
Specifications
Electrical
Cable Group N/A
Finish Nickel
Insulation Delrin
Impedance 50 ohms
Crimp Tool N/A
 
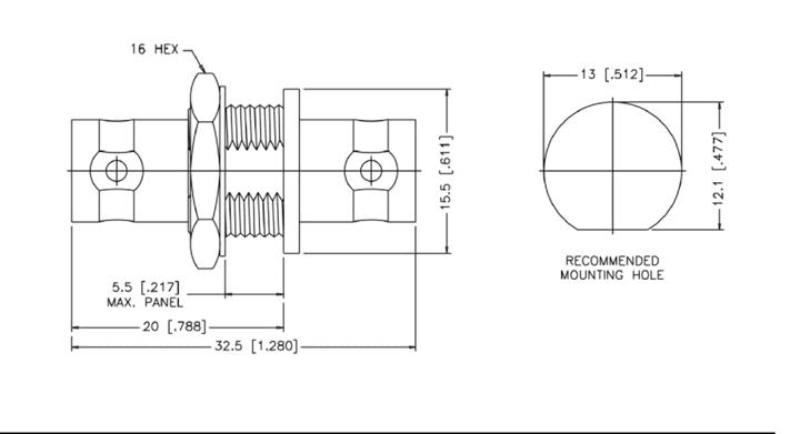
Remark:  Without gasket, 5.5 mm [.217] Max. panel thickness
Schematic Drawing
Connex part number 112437 schematic