Connex-Electronics.com
 Connex Connector Product Specification Sheet
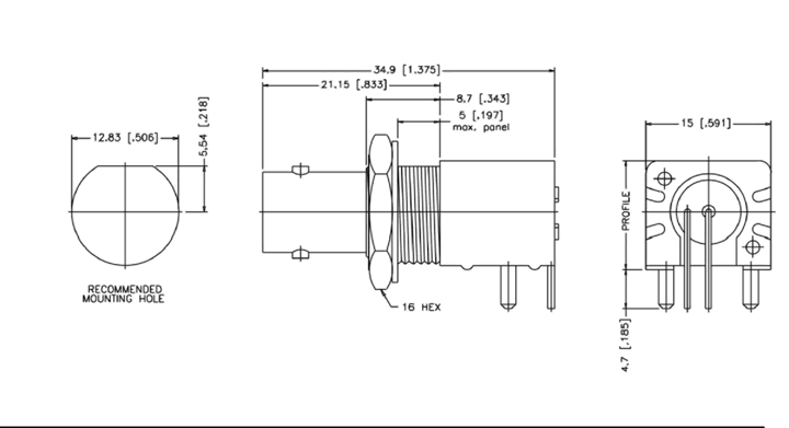
Part Number Add part number 112412 to your Quote. 112412
Family/Series: BNC Coaxial Connectors
Product Type: Printed Circuit Board/Receptacles
Description: Commercial Right Angle PCB Mount Jack
High Profile, 15.88mm White
 
Specifications
Electrical
Cable Group N/A
Finish Nickel
Insulation Polypropylene
Impedance 50 ohms
Crimp Tool N/A
 
Remark:  Add L to part number for Locking Legs
Schematic Drawing
Connex part number 112412 schematic