Connex-Electronics.com
 Connex Connector Product Specification Sheet
Part Number Add part number 112400 to your Quote. 112400
Family/Series: BNC Coaxial Connectors
Product Type: Wedge Compression Attachments for Flexible Cable
Description: Wedge Compression Jack
 
Specifications
Electrical
Cable Group 02    Cable Types: LMR200 / B7807A
Finish Nickel
Insulation Teflon
Impedance 50 ohms
Crimp Tool N/A
 
Remark:  With wedge contact
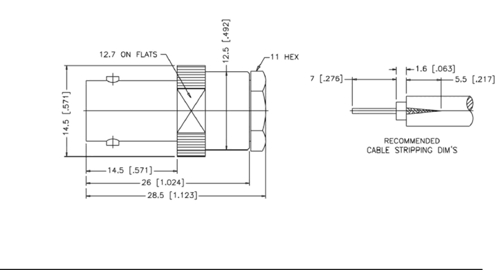
Schematic Drawing
Connex part number 112400 schematic