Connex-Electronics.com
 Connex Connector Product Specification Sheet
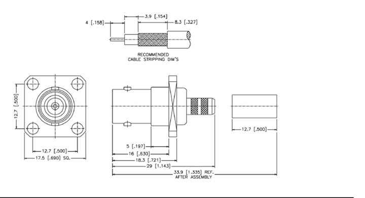
Part Number Add part number 112378 to your Quote. 112378
Family/Series: BNC Coaxial Connectors
Product Type: Clamp Attachments for Flexible Cable
Description: Straight Clamp Jack - Captive Contact
 
Specifications
Electrical
Cable Group 04    Cable Types: 59 / U PLENUM
Finish Nickel
Insulation Teflon
Impedance 50 ohms
Crimp Tool N/A
Schematic Drawing
Connex part number 112378 schematic