Connex-Electronics.com
 Connex Connector Product Specification Sheet
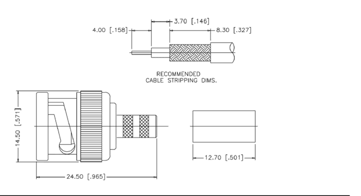
Part Number Add part number 112116 to your Quote. 112116
Family/Series: BNC Coaxial Connectors
Product Type: Plug Crimp Attachments for Flexible Cable
Description: Straight Crimp Plug - Captive Contact - Standard Cable
Brass Shell
 
Specifications
Electrical
Cable Group 01    Cable Types: 58 / 58A / 58C / 141 / 303 / UMR195 / B7806A
Finish Nickel
Insulation Delrin
Impedance 50 ohms
Crimp Tool A
 
Center contact .053" diameter, 30µ" Au. True 75 ohm. Use .044 hex or 12-indent crimp
Schematic Drawing
Connex part number 112116 schematic